Каталог запасных частей к технике: ЯМЗ-238БЕ. Картер коробок передач ЯМЗ-239, ЯМЗ-2391

zoom-in zoom-out enlarge shrink circle-right circle-left file-text2 info cart arraw right arraw left zoom out zoom in arraw maximize arraw minimize
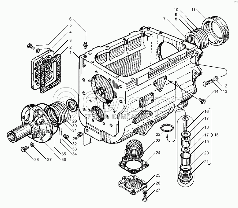
239.1701010
1
2
3
4
5
6
7
8
9
10
11
12
13
14
15
15
16
17
17
18
19
20
21
22
23
24
25
26
27
28
29
30
31
32
33
34
35
36
37
38
7
336.1701193
Прокладка регулировочная толщ. 2-2,5 мм
В узле: 1
336.1701193 Прокладка регулировочная (2 - 2,5мм) <10 шт. 50.26 р.
30
239.1701035
Прокладка регулировочная толщ. 2-2,45 мм
В узле: 1
239.1701035 Прокладка регулировочная крышки перв. вала (2-2.45мм) ЯМЗ КПП-239 Под заказ 56.15 р.
35
336.1701534
Кольцо уплотнительное
В узле: 1
336.1701534 Кольцо уплотнительное передней крышки КПП-239 (160-165) (ЯМЗ) <10 шт. 9.17 р.
336.1701040-10
Крышка подшипника первичного вала в сборе
В узле: 1
239.1701010
Картер коробки передач в сборе
В узле: 1
1
239-1701015
Картер коробки передач
В узле: 1
2
200-1701021-A
Прокладка
В узле: 1
3
236-1701020
Крышка люка отбора мощности
В узле: 1
4
252006-П2
Шайба
В узле: 6
5
45 9348 1559
Болт
В узле: 6
6
236-1702182
Штифт верхний установочный
В узле: 2
8
336.1701193-01
Прокладка регулировочная толщ. 2,5-3 мм
В узле: 1
9
336.1701193-02
Прокладка регулировочная толщ. 3-3,5 мм
В узле: 1
10
336.1701193-03
Прокладка регулировочная толщ. 3,5-4 мм
В узле: 1
11
239.1701458-10
Гнездо подшипника
В узле: 1
12
252139-П2
Шайба пружинная
В узле: 8
13
310235-П29
Болт
В узле: 8
14
316120-П29
Пробка
В узле: 2
15
238-1721255
Пробка сливного отверстия с магнитом в сборе
В узле: 1
15
238-1721255-01
Пробка сливного отверстия с магнитом в сборе
В узле: 1
16
220116-П2
Винт
В узле: 1
17
312480-П2
Шайба
В узле: 2
18
34 9841 3023
Магнит ФЭ 7.770.055
В узле: 1
19
236-1704128
Кожух магнита
В узле: 1
20
236-1704130
Кольцо пружинное
В узле: 6
21
238-1721258
Пробка
В узле: 1
22
312669-П
Прокладка пробки сливного отверстия
В узле: 1
23
336.1704049
Сетка заборника
В узле: 1
24
236-1704056-A
Прокладка
В узле: 1
25
236-1704054-Б
Крышка заборника
В узле: 1
26
252136-П2
Шайба 10 пружинная
В узле: 4
27
201497-П29
Болт М10х25
В узле: 4
28
316135-П2
Пробка
В узле: 2
29
201-1701230
Манжета в сборе
В узле: 1
31
239.1701035-01
Прокладка регулировочная толщ. 2,25-2,9 мм
В узле: 1
32
316198-П29
Пробка
В узле: 1
33
239.1701035-02
Прокладка регулировочная толщ. 2,9-3,35 мм
В узле: 1
34
239.1701035-03
Прокладка регулировочная толщ. 3,35-3,85 мм
В узле: 1
36
336.1701041-10
Крышка подшипника
В узле: 1
37
200-1701041
Шайба
В узле: 6
38
45 9348 1561
Болт
В узле: 6
Содержащиеся в справочниках-каталогах запасные части и детали не предлагаются к продаже, а носят исключительно информационный характер

Ваша заявка была отправлена. В ближайшее время наши специалисты с Вами свяжутся по указанному Вами телефону.

Представьтесь
Поле обязательно для заполнения
Ваш телефон
Введите правильный номер телефона
E-mail
Введите правильный e-mail
Тема
Тема
применяемость финансирование доставка цена, наличие другое сервис и гарантия
Время для звонка
08:00
08:00 09:00 10:00 11:00 12:00 13:00 14:00 15:00 16:00 17:00 18:00 19:00
19:00
08:00 09:00 10:00 11:00 12:00 13:00 14:00 15:00 16:00 17:00 18:00 19:00

Мы постараемся перезвонить в указанное время

Если вы не хотите ждать, то звоните нашим вежливым консультантам:

8 800 100-2-700
Название
Представьтесь
Поле обязательно для заполнения
Ваш город
Ваш город
Ваш телефон
Введите правильный номер телефона
E-mail
Введите правильный e-mail
Сообщение
Вы можете приложить любые документы (например, список требуемых позиций)
Подтвердите, что вы не робот
Подтвердите, что вы не робот
Подтвердите, что вы не робот
Подтвердите, что вы не робот
Спасибо!

Ваше сообщение успешно отправлено!

ЗакрытьПовторить попытку