Каталог запасных частей к технике: ЯМЗ-8423. Включатель гидромуфты

zoom-in zoom-out enlarge shrink circle-right circle-left file-text2 info cart arraw right arraw left zoom out zoom in arraw maximize arraw minimize
1
2
3
4
5
6
7
8
9
10
11
12
13
14
15
16
17
18
19
20
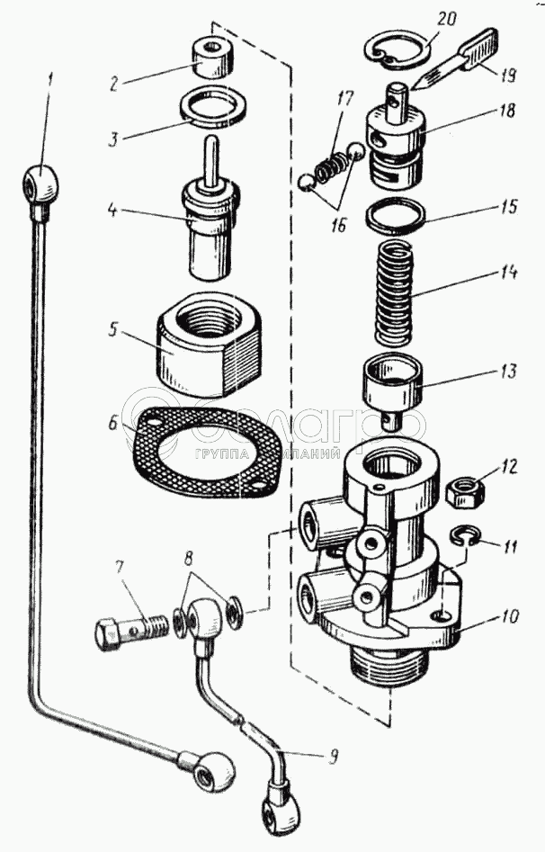
7
310122-П29
Болт М10х1х22
В узле: ---
310122-П29 Болт М10х1-6дх21 Под заказ 4.48 р.
310122-П29 Болт М10х1х22 топливной трубки >10 шт. 5.48 р.
8
312482-П34
Шайба
В узле: ---
312482-П34 Шайба 10,2 уплотнительная крепления трубки топливной ЯМЗ >10 шт. 3.38 р.
11
252135-П2
Шайба пружинная
В узле: ---
252135-П2 Шайба заглушки блока цилиндров ЯМЗ (8х2,5) Под заказ 0.08 р.
8423.1319010-10
Включатель гидромуфты в сборе
В узле: ---
1
842.1319140
Трубка отводящая
В узле: ---
2
8423.1319036
Прокладка уплотнительная
В узле: ---
3
312798-П
Прокладка регулировочная
В узле: ---
4
ТС108-1306090-20
Элемент термосиловой
В узле: ---
5
8423.1319030
Гайка
В узле: ---
6
842.1319062
Прокладка корпуса
В узле: ---
9
842.1319120
Трубка подводящая
В узле: ---
10
842.1319020
Корпус включателя
В узле: ---
12
250511-П29
Гайка
В узле: ---
13
842.1319034
Золотник включателя
В узле: ---
14
842.1319038
Пружина возвратная
В узле: ---
15
25 3111 2661
Кольцо 014-020-36-1-1
В узле: ---
16
201-1015466
Шарик фиксатора
В узле: ---
17
842.1319053
Пружина
В узле: ---
18
842.1319042
Пробка переключения режимов
В узле: ---
19
841.1319046
Рычаг переключающий
В узле: ---
20
240Н-1118034
Кольцо пружинное упорное
В узле: ---
Содержащиеся в справочниках-каталогах запасные части и детали не предлагаются к продаже, а носят исключительно информационный характер

Ваша заявка была отправлена. В ближайшее время наши специалисты с Вами свяжутся по указанному Вами телефону.

Представьтесь
Поле обязательно для заполнения
Ваш телефон
Введите правильный номер телефона
E-mail
Введите правильный e-mail
Тема
Тема
применяемость финансирование доставка цена, наличие другое сервис и гарантия
Время для звонка
08:00
08:00 09:00 10:00 11:00 12:00 13:00 14:00 15:00 16:00 17:00 18:00 19:00
19:00
08:00 09:00 10:00 11:00 12:00 13:00 14:00 15:00 16:00 17:00 18:00 19:00

Мы постараемся перезвонить в указанное время

Если вы не хотите ждать, то звоните нашим вежливым консультантам:

8 800 100-2-700
Название
Представьтесь
Поле обязательно для заполнения
Ваш город
Ваш город
Ваш телефон
Введите правильный номер телефона
E-mail
Введите правильный e-mail
Сообщение
Вы можете приложить любые документы (например, список требуемых позиций)
Подтвердите, что вы не робот
Подтвердите, что вы не робот
Подтвердите, что вы не робот
Подтвердите, что вы не робот
Спасибо!

Ваше сообщение успешно отправлено!

ЗакрытьПовторить попытку