Каталог запасных частей к технике: ЯЗДА ТНВД-323, 324, 327. Корпус топливного насоса высокого давления

zoom-in zoom-out enlarge shrink circle-right circle-left file-text2 info cart arraw right arraw left zoom out zoom in arraw maximize arraw minimize
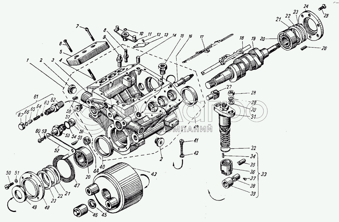
324.1111005-10
1
2
2
3
4
5
6
7
8
9
10
11
12
13
14
15
16
17
18
19
20
20
21
21
22
22
23
23
24
25
26
27
28
29
30
31
32
33
34
35
36
37
38
39
40
40
41
42
43
44
45
46
47
48
49
50
51
52
53
54
55
56
57
58
59
60
61
62
63
64
65
66
67
32
33.1111575
Пята толкателя
В узле: 6
33.1111575 (0) Пята толкателя >10 шт. 7.98 р.
324.1111005-10
Топливный насос высокого давления в сборе
В узле: 1
1
323.1111020
Корпус насоса в сборе
В узле: 1
2
320-88802
Пробка М20
В узле: 2
3
323.1111025
Корпус насоса
В узле: 1
4
356-72095
Шпилька М10x22
В узле: 12
5
32.1111098
Кожух защитный
В узле: 2
6
870355-П29
Винт М6х32
В узле: 2
7
33.1111126
Винт
В узле: 2
8
335.1111410
Ось рычаra peек
В узле: 1
9
33.1110469
Ось рычага пружины
В узле: 1
10
1/10877/76
Кольцо стопорное Ф5
В узле: 1
11
33.1111400
Рычаг реек
В узле: 1
12
33.1111910
Гвоздь нарезной
В узле: 2
13
323.3904016-10
Табличка
В узле: 1
14
1/0338/11
Штифт 10x22
В узле: 2
15
33.1111032
Ввертыш
В узле: 1
16
3321.1110676
Ось промежуточной шестерни регулятора
В узле: 1
17
323.1111180
Рейка правая
В узле: 1
18
323.1111181
Рейка левая
В узле: 1
19
324.1111055
Вал кулачковый
В узле: 1
20
6-7506А
Подшипник роликовый
В узле: 2
21
78.1111077
Прокладка
В узле: 2
22
78.1111078
Прокладка
В узле: 3
23
78.1111079
Прокладка
В узле: 2
24
337.1111074
Крышка подшипника задняя
В узле: 1
25
311200-П29
Винт
В узле: 6
26
870800-П
Шпонка 5х22
В узле: 1
27
323.1111028
Палец
В узле: 4
28
1/21647/21
Гайка М10
В узле: 12
29
1/05168/77
Шайба Ф10
В узле: 12
30
320-88727
Шайба Ф10
В узле: 12
31
324.1111039
Секция топливного насоса в сборе
В узле: 6
33
337.1111110
Толкатель плунжера в сборе
В узле: 6
34
320-88620
Штифт 2,9х13
В узле: 6
35
337.1111124
Ось
В узле: 6
36
337.1111114
Толкатель
В узле: 6
37
33.1111117-01
Сухарь
В узле: 6
38
337.1111122-01
Втулка
В узле: 6
39
337.1111118
Ролик
В узле: 6
40
78.1111097
Втулка
В узле: 2
41
33.1111418
Винт стопорный
В узле: 2
42
870455-П
Шайба Ф8
В узле: 2
43
236НЕ2-1111450
Муфта демпферная в сборе
В узле: 1
44
33.1111042-10
Втулка рейки
В узле: 2
45
1/05174/74
Шайба Ф20
В узле: 1
46
320-24003
Гайка
В узле: 1
47
337.1111076
Прокладка
В узле: 1
48
337.1111072-21
Крышка подшипника передняя
В узле: 1
49
337.1111090
Манжета в сборе
В узле: 1
50
320-88145
Винт 8х20
В узле: 6
51
1/05166/77
Шайба Ф8
В узле: 6
52
323.1111056-30
Указатель
В узле: 1
53
320-31007
Пробка М27
В узле: 2
54
33.1112342
Кольцо уплотнительное
В узле: 2
55
320-35001
Шпонка 6х19
В узле: 1
56
33.1111042-01
Втулка рейки
В узле: 2
57
33.1111047-20
Пробка корпуса
В узле: 4
58
33.1111079-01
Жиклер
В узле: 1
59
1/11977/71
Шайба Ф6
В узле: 2
60
220102-П29
Винт М6х10
В узле: 2
61
338.1111140-20
Клапан перепускной в сборе
В узле: 1
62
338.1111142-10
Корпус клапана
В узле: 1
63
37.1111144
Клапан
В узле: 1
64
338.1111148-10
Пружина
В узле: 1
65
338.1111147-10
Упор
В узле: 1
66
338.1111143
Кольцо запорное
В узле: 1
67
338.1111149
Гайка
В узле: 1
Содержащиеся в справочниках-каталогах запасные части и детали не предлагаются к продаже, а носят исключительно информационный характер

Ваша заявка была отправлена. В ближайшее время наши специалисты с Вами свяжутся по указанному Вами телефону.

Представьтесь
Поле обязательно для заполнения
Ваш телефон
Введите правильный номер телефона
E-mail
Введите правильный e-mail
Тема
Тема
применяемость финансирование доставка цена, наличие другое сервис и гарантия
Время для звонка
08:00
08:00 09:00 10:00 11:00 12:00 13:00 14:00 15:00 16:00 17:00 18:00 19:00
19:00
08:00 09:00 10:00 11:00 12:00 13:00 14:00 15:00 16:00 17:00 18:00 19:00

Мы постараемся перезвонить в указанное время

Если вы не хотите ждать, то звоните нашим вежливым консультантам:

8 800 100-2-700
Название
Представьтесь
Поле обязательно для заполнения
Ваш город
Ваш город
Ваш телефон
Введите правильный номер телефона
E-mail
Введите правильный e-mail
Сообщение
Вы можете приложить любые документы (например, список требуемых позиций)
Подтвердите, что вы не робот
Подтвердите, что вы не робот
Подтвердите, что вы не робот
Подтвердите, что вы не робот
Спасибо!

Ваше сообщение успешно отправлено!

ЗакрытьПовторить попытку