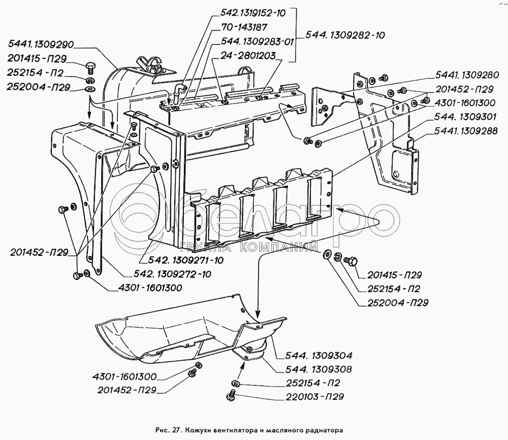
Каталог запасных частей к технике: ГАЗ-3309. Кожухи вентилятора и масляного радиатора

zoom-in zoom-out enlarge shrink circle-right circle-left file-text2 info cart arraw right arraw left zoom out zoom in arraw maximize arraw minimize
544-1309304
4301-1601300
4301-1601300
4301-1601300
252154-П2
252154-П2
252154-П2
252004-П29
252004-П29
542.1319152-10
544-1309282-10
544-1309283-01
5441-1309288
542.1309272-10
542.1309271-10
201415-П29
201415-П29
5441-1309290
5441-1309280
544-1309308
24-2801203
544-1309301
70-143187
220103-П29
201452-П29
201452-П29
201452-П29
544-1309304
Кожух нижний
В узле: 1
4301-1601300
Шайба пружинная коническая
В узле: 120
252154-П2
Шайба 6Л ОСТ 37.001.115-75
В узле: 96
252004-П29
Шайба 6 ОСТ 37.001.144-96
В узле: 82
542.1319152-10
Труба воздухозаборная
В узле: 1
544-1309282-10
Пластина в сборе
В узле: 1
544-1309283-01
Пластина
В узле: 1
5441-1309288
Основание заднего кожуха
В узле: 1
542.1309272-10
Кожух радиатора передний
В узле: 1
542.1309271-10
Кожух радиатора задний
В узле: 1
201415-П29
Болт М6-6gх10 ОСТ 37.001.123-96
В узле: 40
5441-1309290
Кожух верхний
В узле: 1
5441-1309280
Кожух вентилятора задний
В узле: 1
544-1309308
Заглушка
В узле: 1
24-2801203
Заглушка
В узле: 2
544-1309301
Дефлектор левый
В узле: 1
70-143187
Втулка
В узле: 2
220103-П29
Винт М6-6gх12 ОСТ 37.001.127-81
В узле: 1
201452-П29
Болт М8-6gх12 ОСТ 37.001.123-96
В узле: 18
Содержащиеся в справочниках-каталогах запасные части и детали не предлагаются к продаже, а носят исключительно информационный характер

Ваша заявка была отправлена. В ближайшее время наши специалисты с Вами свяжутся по указанному Вами телефону.

Представьтесь
Поле обязательно для заполнения
Ваш телефон
Введите правильный номер телефона
E-mail
Введите правильный e-mail
Тема
Тема
применяемость финансирование доставка цена, наличие другое сервис и гарантия
Время для звонка
08:00
08:00 09:00 10:00 11:00 12:00 13:00 14:00 15:00 16:00 17:00 18:00 19:00
19:00
08:00 09:00 10:00 11:00 12:00 13:00 14:00 15:00 16:00 17:00 18:00 19:00

Мы постараемся перезвонить в указанное время

Если вы не хотите ждать, то звоните нашим вежливым консультантам:

8 800 100-2-700
Название
Представьтесь
Поле обязательно для заполнения
Ваш город
Ваш город
Ваш телефон
Введите правильный номер телефона
E-mail
Введите правильный e-mail
Сообщение
Вы можете приложить любые документы (например, список требуемых позиций)
Подтвердите, что вы не робот
Подтвердите, что вы не робот
Подтвердите, что вы не робот
Подтвердите, что вы не робот
Спасибо!

Ваше сообщение успешно отправлено!

ЗакрытьПовторить попытку