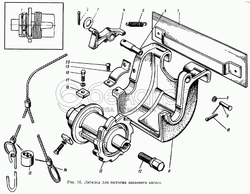
Каталог запасных частей к технике: ЗИЛ-133ГЯ. Лебедка для подъема запасного колеса

zoom-in zoom-out enlarge shrink circle-right circle-left file-text2 info cart arraw right arraw left zoom out zoom in arraw maximize arraw minimize
1
2
3
4
5
6
7
8
9
10
11
12
13
14
15
16
17
18
19
20
133-3925161
Подкладка скобы
В узле: 1
133-3925157
Скоба лебедки
В узле: 1
1333925215-Б
Трос лебедки
В узле: 1
157-3925091
Барабан лебедки
В узле: 1
1
133-3925210-Б
Трос лебедки с крюком в сборе
В узле: 1
2
258053-П8
Шплинт
В узле: 1
3
252016-П8
Шайба
В узле: 1
4
157-3925095
Собачка лебедки
В узле: 1
5
157-3925129
Пружина собачки
В узле: 1
6
157-3925097
Ось собачки лебедки
В узле: 1
7
133-3925156
Скоба лебедки с подкладкой в сборе
В узле: 1
8
252004-П8
Шайба плоская
В узле: 1
9
260014-П8
Палец
В узле: 1
10
258012-П8
Шплинт
В узле: 1
11
133-3925081
Кронштейн лебедки
В узле: 1
12
157-3925093
Ось барабана лебедки
В узле: 1
13
157-3925090
Барабан лебедки в сборе
В узле: 1
14
133-3925212
Трос дополнительный лебедки
В узле: 1
15
133-3925231
Втулка обжимная троса
В узле: 3
16
157-3925229
Планка крепления троса лебедки к барабану
В узле: 2
17
252134-П2
Шайба пружинная
В узле: 2
18
201420-П8
Болт
В узле: 2
19
157-3925122
Скоба крепления барабана лебедки
В узле: 1
20
220102-П8
Винт
В узле: 2
Содержащиеся в справочниках-каталогах запасные части и детали не предлагаются к продаже, а носят исключительно информационный характер

Ваша заявка была отправлена. В ближайшее время наши специалисты с Вами свяжутся по указанному Вами телефону.

Представьтесь
Поле обязательно для заполнения
Ваш телефон
Введите правильный номер телефона
E-mail
Введите правильный e-mail
Тема
Тема
применяемость финансирование доставка цена, наличие другое сервис и гарантия
Время для звонка
08:00
08:00 09:00 10:00 11:00 12:00 13:00 14:00 15:00 16:00 17:00 18:00 19:00
19:00
08:00 09:00 10:00 11:00 12:00 13:00 14:00 15:00 16:00 17:00 18:00 19:00

Мы постараемся перезвонить в указанное время

Если вы не хотите ждать, то звоните нашим вежливым консультантам:

8 800 100-2-700
Название
Представьтесь
Поле обязательно для заполнения
Ваш город
Ваш город
Ваш телефон
Введите правильный номер телефона
E-mail
Введите правильный e-mail
Сообщение
Вы можете приложить любые документы (например, список требуемых позиций)
Подтвердите, что вы не робот
Подтвердите, что вы не робот
Подтвердите, что вы не робот
Подтвердите, что вы не робот
Спасибо!

Ваше сообщение успешно отправлено!

ЗакрытьПовторить попытку