Каталог запасных частей к технике: Lemken Azurit 9. 68310086 Distributor

zoom-in zoom-out enlarge shrink circle-right circle-left file-text2 info cart arraw right arraw left zoom out zoom in arraw maximize arraw minimize
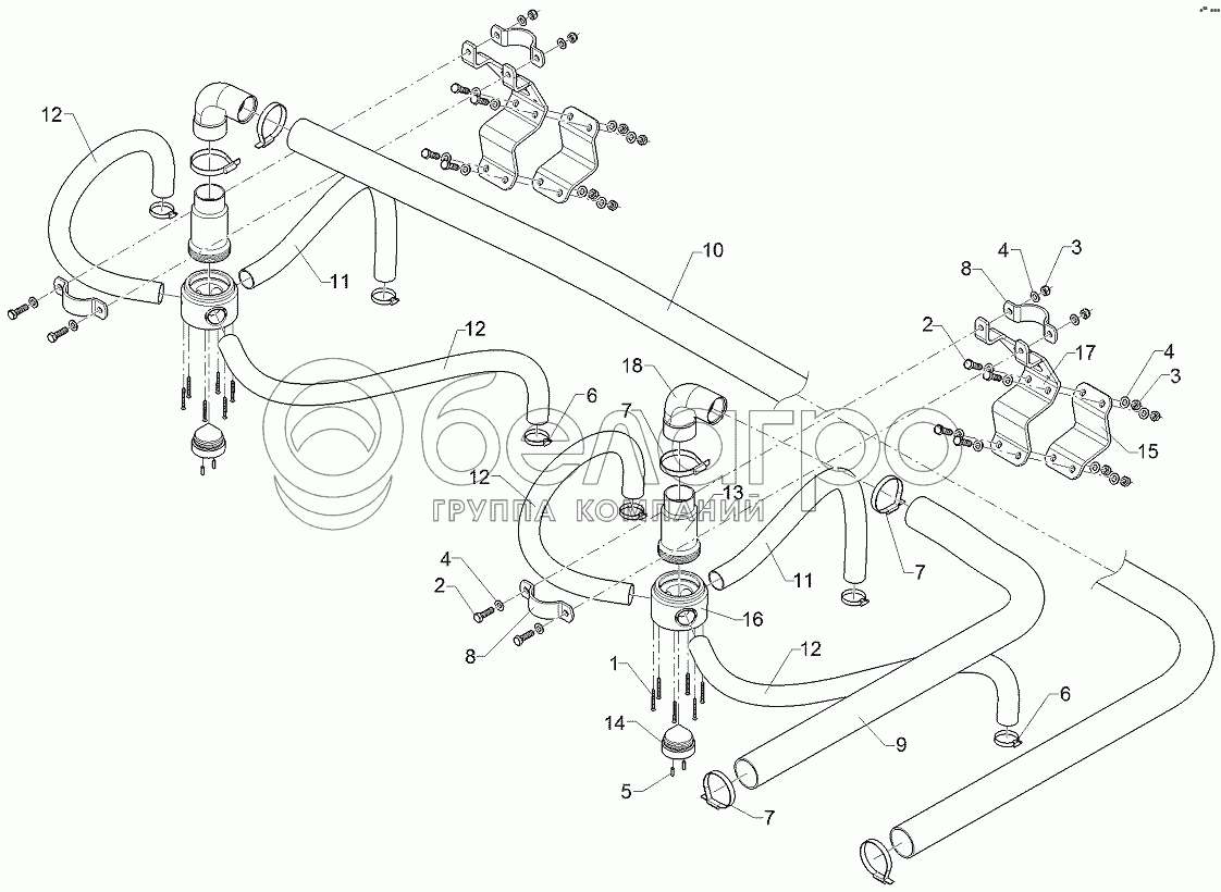
1
2
2
3
3
4
4
4
5
6
6
7
7
7
8
8
9
10
11
11
12
12
12
12
13
14
15
16
17
18
1
301 0067
Countersunk bolt
В узле: 8
2
301 3347
Screw
В узле: 12
3
303 0934
Selflocking nut
В узле: 12
4
305 8580
Washer
В узле: 24
5
309 1385
Cylindrical pin
В узле: 4
6
325 1157
Hose clip
В узле: 6
7
325 1166
Hose clip
В узле: 6
8
325 5130
Clamp
В узле: 4
9
37710185
Hose
В узле: 1
10
37710170
Hose
В узле: 1
11
37710187
Hose
В узле: 2
12
37710188
Hose
В узле: 4
13
48310271
Corrugated tube
В узле: 2
14
48310270
Distributor point
В узле: 2
15
48210344
Plate
В узле: 2
16
48310269
Distributor
В узле: 2
17
48310161
Plate
В узле: 2
18
58210052
Tube turn
В узле: 2
Содержащиеся в справочниках-каталогах запасные части и детали не предлагаются к продаже, а носят исключительно информационный характер

Ваша заявка была отправлена. В ближайшее время наши специалисты с Вами свяжутся по указанному Вами телефону.

Представьтесь
Поле обязательно для заполнения
Ваш телефон
Введите правильный номер телефона
E-mail
Введите правильный e-mail
Тема
Тема
применяемость финансирование доставка цена, наличие другое сервис и гарантия
Время для звонка
08:00
08:00 09:00 10:00 11:00 12:00 13:00 14:00 15:00 16:00 17:00 18:00 19:00
19:00
08:00 09:00 10:00 11:00 12:00 13:00 14:00 15:00 16:00 17:00 18:00 19:00

Мы постараемся перезвонить в указанное время

Если вы не хотите ждать, то звоните нашим вежливым консультантам:

8 800 100-2-700
Название
Представьтесь
Поле обязательно для заполнения
Ваш город
Ваш город
Ваш телефон
Введите правильный номер телефона
E-mail
Введите правильный e-mail
Сообщение
Вы можете приложить любые документы (например, список требуемых позиций)
Подтвердите, что вы не робот
Подтвердите, что вы не робот
Подтвердите, что вы не робот
Подтвердите, что вы не робот
Спасибо!

Ваше сообщение успешно отправлено!

ЗакрытьПовторить попытку