Каталог запасных частей к технике: Lemken EurOpal 7X. Depth wheel D20x200/120 E7 555lg

zoom-in zoom-out enlarge shrink circle-right circle-left file-text2 info cart arraw right arraw left zoom out zoom in arraw maximize arraw minimize
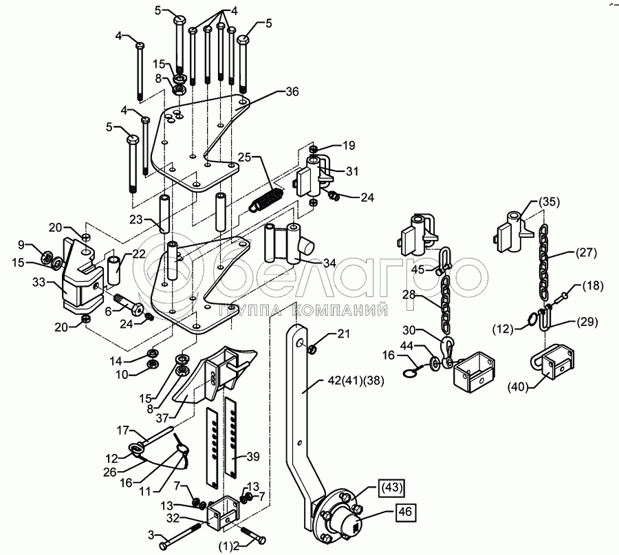
1
2
3
4
4
4
5
5
5
6
7
7
8
8
9
10
11
12
12
13
13
14
15
15
15
16
16
17
18
19
20
20
21
22
23
24
24
25
26
27
28
29
30
31
32
33
34
35
36
37
38
39
40
41
42
43
44
45
46
1
301 3389
Bolt
В узле: 1
2
301 3391
Bolt
В узле: 1
3
301 3461
Bolt
В узле: 1
4
301 4118
Bolt
В узле: 6
5
301 4523
Bolt
В узле: 3
6
301 4604
Bolt
В узле: 1
7
303 0972
Nut
В узле: 2
8
303 0977
Nut
В узле: 3
9
303 0978
Nut
В узле: 1
10
303 0990
Nut
В узле: 6
11
305 8545
Securing ring
В узле: 1
12
305 8551
Securing clip
В узле: 1
13
305 9885
Spring ring
В узле: 2
14
305 9887
Spring ring
В узле: 6
15
305 9888
Spring ring
В узле: 6
16
311 9565
Securing pin
В узле: 2
17
313 8137
Pin with grip
В узле: 1
18
315 8006
Rivet
В узле: 1
19
317 3336
Expansion bush
В узле: 2
20
317 3338
Expansion bush
В узле: 2
21
317 3394
Expansion bush
В узле: 1
22
317 6664
Tube
В узле: 1
23
317 6859
Tube
В узле: 3
24
323 6348
Grease nipple
В узле: 2
25
329 8496
Spring
В узле: 1
26
331 6130
Chain
В узле: 1
27
331 6242
Chain
В узле: 1
28
331 6246
Chain
В узле: 1
29
331 8380
Shackle
В узле: 1
30
331 9012
Hook
В узле: 1
31
448 2598
Holder with pivot
В узле: 1
32
448 2599
Holder with pivot
В узле: 1
33
448 2601
Cross union
В узле: 1
34
448 2605
Stop
В узле: 1
35
448 2603
Locking device
В узле: 1
36
448 2604
Plate
В узле: 2
37
448 2602
stop
В узле: 1
38
448 2606
Wheel stalk
В узле: 1
39
448 2607
Adjuster plate
В узле: 2
40
448 2608
Holder
В узле: 1
41
548 2606
Wheel stalk with bearing
В узле: 1
42
548 2607
Wheel stalk with bearing
В узле: 1
43
549 8892
Bearing
В узле: 1
44
305 6162
Washer
В узле: 1
45
331 8381
Chain shackle
В узле: 1
46
549 8893
Bearing
В узле: 1
Содержащиеся в справочниках-каталогах запасные части и детали не предлагаются к продаже, а носят исключительно информационный характер

Ваша заявка была отправлена. В ближайшее время наши специалисты с Вами свяжутся по указанному Вами телефону.

Представьтесь
Поле обязательно для заполнения
Ваш телефон
Введите правильный номер телефона
E-mail
Введите правильный e-mail
Тема
Тема
применяемость финансирование доставка цена, наличие другое сервис и гарантия
Время для звонка
08:00
08:00 09:00 10:00 11:00 12:00 13:00 14:00 15:00 16:00 17:00 18:00 19:00
19:00
08:00 09:00 10:00 11:00 12:00 13:00 14:00 15:00 16:00 17:00 18:00 19:00

Мы постараемся перезвонить в указанное время

Если вы не хотите ждать, то звоните нашим вежливым консультантам:

8 800 100-2-700
Название
Представьтесь
Поле обязательно для заполнения
Ваш город
Ваш город
Ваш телефон
Введите правильный номер телефона
E-mail
Введите правильный e-mail
Сообщение
Вы можете приложить любые документы (например, список требуемых позиций)
Подтвердите, что вы не робот
Подтвердите, что вы не робот
Подтвердите, что вы не робот
Подтвердите, что вы не робот
Спасибо!

Ваше сообщение успешно отправлено!

ЗакрытьПовторить попытку