Каталог запасных частей к технике: МТЗ-1005. Кабина

zoom-in zoom-out enlarge shrink circle-right circle-left file-text2 info cart arraw right arraw left zoom out zoom in arraw maximize arraw minimize
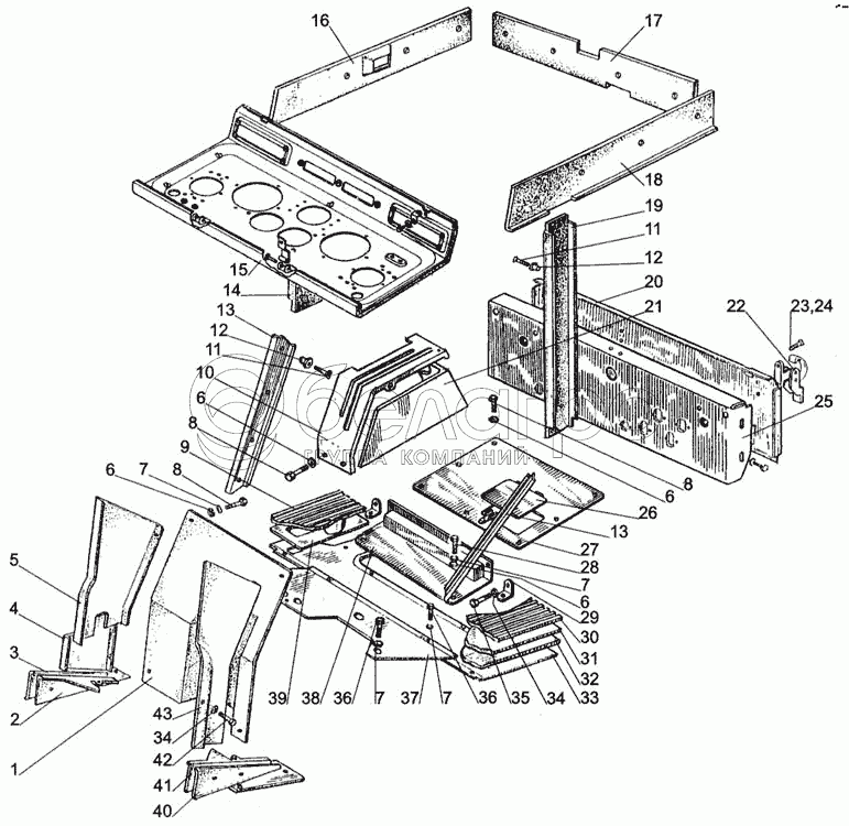
1
2
3
4
5
6
6
6
6
7
7
7
7
8
8
8
9
10
11
11
12
12
13
13
14
15
16
17
18
19
20
21
22
23
24
25
26
27
28
29
30
31
32
33
34
34
35
36
36
37
38
39
40
41
42
43
1
80-6700300
Панель
В узле: 1
80-6700300 Панель МТЗ кабины Под заказ 341.00 р.
2
80-6702328-01
Накладка
В узле: 1
80-6702328-01 Накладка МТЗ пола кабины Под заказ 15.89 р.
4
85-6700330
Панель
В узле: 1
85-6700330 Панель МТЗ кабины Под заказ 92.57 р.
12
А37.10.031
Бонка
В узле: 28
А37.10.031 Бонка МТЗ, Беларусь >10 шт. 0.08 р.
13
80-6702111
Прижим
В узле: 2
80-6702111 Прижим МТЗ Под заказ 9.97 р.
30
80-6702332
Коврик левый
В узле: 1
80-6702332 Уплотнитель МТЗ левый (коврик), (У) >10 шт. 20.24 р.
80-6702332 Уплотнитель МТЗ левый (коврик), Беларусь <10 шт. 21.61 р.
37
80-6702310
Полик
В узле: 1
80-6702310 Полик МТЗ кабины <10 шт. 142.86 р.
38
80-6702085
Крышка
В узле: 1
80-6702085 Крышка МТЗ пола кабины Под заказ 27.52 р.
41
80-6702328
Накладка
В узле: 1
80-6702328 Накладка МТЗ пола кабины Под заказ 15.89 р.
43
80-6700320
Панель
В узле: 1
80-6700320 Панель МТЗ кабины Под заказ 337.63 р.
3
80-6702330
Боковина
В узле: 1
5
85-6700340
Панель
В узле: 1
6
ШЧ6
Шайба
В узле: 16
7
ШП6
Шайба
В узле: 20
8
М6х25
Винт
В узле: 14
9
80-6702333-Б2
Коврик правый
В узле: 1
10
85-6700036-Б
Коврик левый
В узле: 1
11
1-4х25
Шуруп
В узле: 28
14
1221-6700060-01
Накладка
В узле: 1
15
80-8100100
Панель
В узле: 1
16
1221-6700065
Накладка
В узле: 1
17
80-6700205
Накладка
В узле: 1
18
1221-6700050
Накладка
В узле: 1
19
1221-6700060
Накладка
В узле: 1
20
85-6702125
Панель
В узле: 1
21
85-6700040-Б
Пульт
В узле: 1
22
А37.09.060
Защелка
В узле: 2
23
М4х12
Винт
В узле: 4
24
М4
Гайка
В узле: 4
25
80-6702135
Панель
В узле: 1
26
80-6702190
Крышка
В узле: 1
27
85-6702195
Крышка
В узле: 1
36
М6х16
Винт
В узле: 16
29
70-6702111
Угольник
В узле: 2
31
80-6702469-А
Прокладка
В узле: 1
32
80-6702468-А
Прокладка
В узле: 1
33
80-6702315-Б
Панель
В узле: 1
34
ШЧ8
Шайба
В узле: 10
35
М8х16
Болт
В узле: 4
39
85-6702201Zam
Уплотнитель
В узле: 1
40
80-6702320
Боковина
В узле: 1
42
М8х40
Болт
В узле: 2
Содержащиеся в справочниках-каталогах запасные части и детали не предлагаются к продаже, а носят исключительно информационный характер

Ваша заявка была отправлена. В ближайшее время наши специалисты с Вами свяжутся по указанному Вами телефону.

Представьтесь
Поле обязательно для заполнения
Ваш телефон
Введите правильный номер телефона
E-mail
Введите правильный e-mail
Тема
Тема
применяемость финансирование доставка цена, наличие другое сервис и гарантия
Время для звонка
08:00
08:00 09:00 10:00 11:00 12:00 13:00 14:00 15:00 16:00 17:00 18:00 19:00
19:00
08:00 09:00 10:00 11:00 12:00 13:00 14:00 15:00 16:00 17:00 18:00 19:00

Мы постараемся перезвонить в указанное время

Если вы не хотите ждать, то звоните нашим вежливым консультантам:

8 800 100-2-700
Название
Представьтесь
Поле обязательно для заполнения
Ваш город
Ваш город
Ваш телефон
Введите правильный номер телефона
E-mail
Введите правильный e-mail
Сообщение
Вы можете приложить любые документы (например, список требуемых позиций)
Подтвердите, что вы не робот
Подтвердите, что вы не робот
Подтвердите, что вы не робот
Подтвердите, что вы не робот
Спасибо!

Ваше сообщение успешно отправлено!

ЗакрытьПовторить попытку