Каталог запасных частей к технике: МТЗ-1005. Насос шестеренный

zoom-in zoom-out enlarge shrink circle-right circle-left file-text2 info cart arraw right arraw left zoom out zoom in arraw maximize arraw minimize
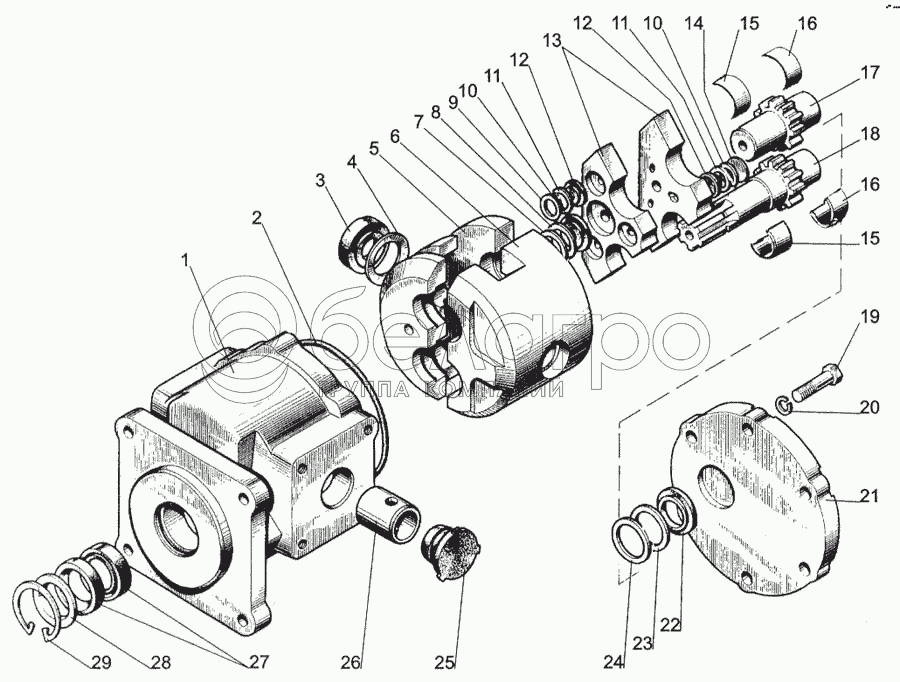
НШ32А-3
1
2
3
4
5
6
7
8
9
10
10
11
11
12
12
13
14
15
15
16
16
17
18
19
20
21
22
23
24
25
26
27
28
29
НШ32А-3
Насос шестеренный
В узле: 1
1
НШ32-3-01
Корпус
В узле: 1
2
112-118-36-2-2
Кольцо
В узле: 1
3
НШ32-3-08
Манжета радиального уплотнения
В узле: 1
4
НШ32-3-06
Пластина опорная
В узле: 1
5
НШ32-3-02
Обойма поджимная
В узле: 1
6
НШ32-3-03
Обойма подшипниковая
В узле: 1
7
НШ50-2-24
Кольцо предохранительное
В узле: 1
8
НШ50-4-10-03
Прокладка
В узле: 2
9
НШ50-2-22
Манжета торцевого уплотнения
В узле: 2
10
НШ50-2-25
Кольцо предохранительное
В узле: 6
11
НШ50-4-10
Прокладка
В узле: 6
12
НШ50-2-23
Манжета торцевого уплотнения
В узле: 6
13
НШ50-3-07
Платик
В узле: 2
14
НШ50-2-16
Пластина
В узле: 2
15
НШ50-4-04-А
Вкладыш левый
В узле: 2
16
НШ50-4-06
Вкладыш правый
В узле: 2
17
НШ32-3-05
Шестерня ведомая
В узле: 1
18
НШ32-3-04
Шестерня ведущая
В узле: 1
19
М10х30
Болт
В узле: 6
20
ШП10
Шайба
В узле: 6
21
НШ50А-3-06
Крышка
В узле: 1
22
50К-13
Манжета
В узле: 1
23
НШ50-4-10-04
Прокладка
В узле: 1
24
НШ50-2-14
Кольцо предохранительное
В узле: 1
25
НШ32-2-08
Пробка (деталь технологическая)
В узле: 1
26
НШ32-3-09
Втулка центрирующая
В узле: 1
27
1.2-25х42-1
Манжета
В узле: 2
28
НШ32Э-08-А
Кольцо
В узле: 1
29
НШ32У-0303028-Г
Кольцо пружинное
В узле: 1
Содержащиеся в справочниках-каталогах запасные части и детали не предлагаются к продаже, а носят исключительно информационный характер

Ваша заявка была отправлена. В ближайшее время наши специалисты с Вами свяжутся по указанному Вами телефону.

Представьтесь
Поле обязательно для заполнения
Ваш телефон
Введите правильный номер телефона
E-mail
Введите правильный e-mail
Тема
Тема
применяемость финансирование доставка цена, наличие другое сервис и гарантия
Время для звонка
08:00
08:00 09:00 10:00 11:00 12:00 13:00 14:00 15:00 16:00 17:00 18:00 19:00
19:00
08:00 09:00 10:00 11:00 12:00 13:00 14:00 15:00 16:00 17:00 18:00 19:00

Мы постараемся перезвонить в указанное время

Если вы не хотите ждать, то звоните нашим вежливым консультантам:

8 800 100-2-700
Название
Представьтесь
Поле обязательно для заполнения
Ваш город
Ваш город
Ваш телефон
Введите правильный номер телефона
E-mail
Введите правильный e-mail
Сообщение
Вы можете приложить любые документы (например, список требуемых позиций)
Подтвердите, что вы не робот
Подтвердите, что вы не робот
Подтвердите, что вы не робот
Подтвердите, что вы не робот
Спасибо!

Ваше сообщение успешно отправлено!

ЗакрытьПовторить попытку