Каталог запасных частей к технике: МТЗ-100. Насос шестеренный

zoom-in zoom-out enlarge shrink circle-right circle-left file-text2 info cart arraw right arraw left zoom out zoom in arraw maximize arraw minimize
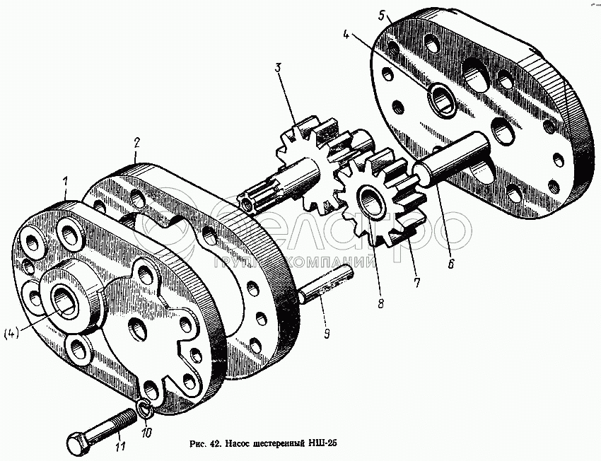
1
2
3
4
4
5
6
7
8
9
10
11
НМШ25-02-00
Крышка верхняя со втулкой свертной в сборе
В узле: 1
НМШ25-01-00
Крышка нижняя со втулкой свертной и осью в сборе
В узле: 1
НМШ25-00-00
Насос шестеренный
В узле: 1
НМШ50-50-03
Шестерня ведомая со втулкой в сборе
В узле: 1
1
НМШ25-01-01
Крышка нижняя
В узле: 1
2
НМШ25-00-01
Корпус
В узле: 1
3
НМШ50-00-02
Шестерня ведущая
В узле: 1
4
НМШ50-02-02
Втулка свертная
В узле: 2
5
НМШ25-02-01
Крышка верхняя
В узле: 1
6
НМШ25-04-01
Ось
В узле: 1
7
НМШ50-03-01
Шестерня ведомая
В узле: 1
8
НМШ50-03 02
Втулка
В узле: ---
9
10х40
Штифт
В узле: 2
10
ШП10
Шайба
В узле: 4
11
М10х45
Болт
В узле: 4
Содержащиеся в справочниках-каталогах запасные части и детали не предлагаются к продаже, а носят исключительно информационный характер

Ваша заявка была отправлена. В ближайшее время наши специалисты с Вами свяжутся по указанному Вами телефону.

Представьтесь
Поле обязательно для заполнения
Ваш телефон
Введите правильный номер телефона
E-mail
Введите правильный e-mail
Тема
Тема
применяемость финансирование доставка цена, наличие другое сервис и гарантия
Время для звонка
08:00
08:00 09:00 10:00 11:00 12:00 13:00 14:00 15:00 16:00 17:00 18:00 19:00
19:00
08:00 09:00 10:00 11:00 12:00 13:00 14:00 15:00 16:00 17:00 18:00 19:00

Мы постараемся перезвонить в указанное время

Если вы не хотите ждать, то звоните нашим вежливым консультантам:

8 800 100-2-700
Название
Представьтесь
Поле обязательно для заполнения
Ваш город
Ваш город
Ваш телефон
Введите правильный номер телефона
E-mail
Введите правильный e-mail
Сообщение
Вы можете приложить любые документы (например, список требуемых позиций)
Подтвердите, что вы не робот
Подтвердите, что вы не робот
Подтвердите, что вы не робот
Подтвердите, что вы не робот
Спасибо!

Ваше сообщение успешно отправлено!

ЗакрытьПовторить попытку