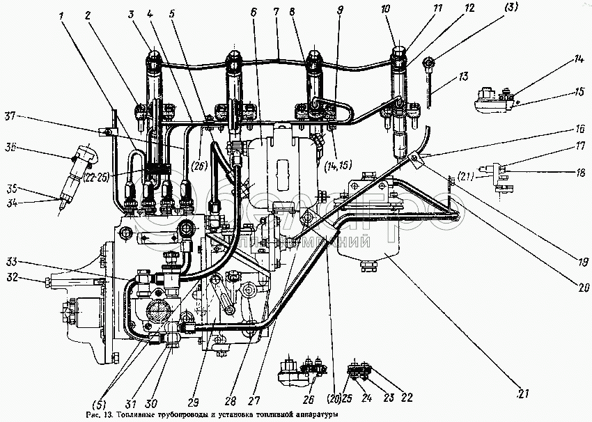
Каталог запасных частей к технике: МТЗ-100. Топливные трубопроводы и установка топливной аппаратуры

zoom-in zoom-out enlarge shrink circle-right circle-left file-text2 info cart arraw right arraw left zoom out zoom in arraw maximize arraw minimize
1
2
3
3
4
5
5
6
7
8
9
10
11
13
14
14
15
15
16
17
18
19
20
20
21
22
22
23
23
24
24
25
25
26
26
27
28
29
30
31
32
33
34
35
36
37
1
240-1104300-01
Трубка первая
В узле: 1
240-1104300-01 Топливопровод МТЗ, ЗИЛ, Д-240 первой форсунки, ММЗ Под заказ 28.44 р.
3
36-1104787
Болт
В узле: 4
36-1104787 Болт МТЗ М10х1.0х22 обратки форсунки, САЗ* Под заказ 1.32 р.
36-1104787 Болт МТЗ М10х1.0х22 обратки форсунки, (А) Под заказ 0.24 р.
4
240-1104300-02
Трубка вторая
В узле: 1
240-1104300-02 Топливопровод МТЗ, ЗИЛ, Д-240 второй форсунки, ММЗ Под заказ 28.44 р.
5
240-1104160-02
Трубка
В узле: 3
240-1104160-02 Трубка МТЗ, Д-240, ЗИЛ L=350, (А) >10 шт. 1.88 р.
240-1104160-02 Трубка МТЗ, Д-240, ЗИЛ L=350 >10 шт. 7.76 р.
6
240-1117010-А
Фильтр тонкой очистки
В узле: 1
240-1117010-А Фильтр МТЗ топливный тонкой очистки в сборе, ММЗ >10 шт. 185.52 р.
9
240-1104300-03
Трубка третья
В узле: 1
240-1104300-03 Топливопровод МТЗ, ЗИЛ, Д-240 третьей форсунки, ММЗ Под заказ 28.44 р.
10
240-1111112
Штуцер
В узле: 1
240-1111112 Штуцер МТЗ форсунки, ММЗ Под заказ 7.56 р.
13
245-1104330
Трубка пневмокорректора
В узле: 1
245-1104330 Трубка пневмокорректора* Под заказ 22.12 р.
31
Д18-055-А
Шайба
В узле: 4
Д18-055-А Кольцо уплотнительное МТЗ, ЗИЛ медное, d=14х19х1, ММЗ >10 шт. 1.46 р.
37
240-1104300-04
Трубка четвертая
В узле: 1
240-1104300-04 Топливопровод МТЗ, ЗИЛ, Д-240 четвертой форсунки, ММЗ Под заказ 28.44 р.
УТН-5-1100150
Насос топливный УТН-5
В узле: 1
240-1111103
Болт
В узле: 3
11-1112010-02
Форсунка
В узле: 4
11-1112208
Прокладка
В узле: 4
240-1104320-А1-02
Топливопровод
В узле: 1
2
М10х35
Болт
В узле: 10
7
245-1104320
Топливопровод
В узле: 1
8
145-1112010
Форсунка ФД-22М
В узле: 4
11
36-1104788
Прокладка
В узле: 5
12
36-1104788-01
Прокладка
В узле: 6
14
240-1111114
Колодка
В узле: 1
15
240-1111125-А
Кронштейн
В узле: 1
16
245-1111104
Хомутик
В узле: 1
17
ШП10
Шайба
В узле: 8
18
М10х25
Болт
В узле: 2
19
М8х20
Болт
В узле: 1
20
50-1111101-Б1
Хомутик
В узле: 2
21
А23.30.000-01
Фильтр-отстойник
В узле: 1
22
240-1111105
Колодка
В узле: 1
23
ШП6
Шайба
В узле: 5
24
М6
Гайка
В узле: 5
25
240-1111106
Колодка
В узле: 2
26
240-1111115-А
Кронштейн
В узле: 1
27
М10х30
Болт
В узле: 2
28
240-1104160
Трубка
В узле: 1
29
4УТНМ-1111010-20
Насос топливный 4УТНМ-Т
В узле: 1
30
245-1111103
Болт
В узле: 1
32
М10х120
Болт
В узле: 2
33
Д18-055-А-01
Кольцо
В узле: 5
34
245-1111022
Прокладка
В узле: 4
35
245-1111021
Обойма
В узле: 4
36
240-1111036-А
Кольцо защитное форсунки
В узле: 4
Содержащиеся в справочниках-каталогах запасные части и детали не предлагаются к продаже, а носят исключительно информационный характер

Ваша заявка была отправлена. В ближайшее время наши специалисты с Вами свяжутся по указанному Вами телефону.

Представьтесь
Поле обязательно для заполнения
Ваш телефон
Введите правильный номер телефона
E-mail
Введите правильный e-mail
Тема
Тема
применяемость финансирование доставка цена, наличие другое сервис и гарантия
Время для звонка
08:00
08:00 09:00 10:00 11:00 12:00 13:00 14:00 15:00 16:00 17:00 18:00 19:00
19:00
08:00 09:00 10:00 11:00 12:00 13:00 14:00 15:00 16:00 17:00 18:00 19:00

Мы постараемся перезвонить в указанное время

Если вы не хотите ждать, то звоните нашим вежливым консультантам:

8 800 100-2-700
Название
Представьтесь
Поле обязательно для заполнения
Ваш город
Ваш город
Ваш телефон
Введите правильный номер телефона
E-mail
Введите правильный e-mail
Сообщение
Вы можете приложить любые документы (например, список требуемых позиций)
Подтвердите, что вы не робот
Подтвердите, что вы не робот
Подтвердите, что вы не робот
Подтвердите, что вы не робот
Спасибо!

Ваше сообщение успешно отправлено!

ЗакрытьПовторить попытку