Каталог запасных частей к технике: МТЗ-1222/1523. Электрооборудование по кабине

zoom-in zoom-out enlarge shrink circle-right circle-left file-text2 info cart arraw right arraw left zoom out zoom in arraw maximize arraw minimize
1
2
3
4
4
4
5
6
7
8
8
9
10
10
10
11
11
11
12
12
12
12
13
14
15
15
16
16
17
17
18
19
20
21
21
22
23
24
25
25
26
26
27
28
29
29
29
30
31
32
33
33
34
35
36
37
38
39
40
41
42
43
44
45
46
47
48
49
50
51
52
53
54
55
56
57
58
59
60
61
62
63
64
65
66
67
33
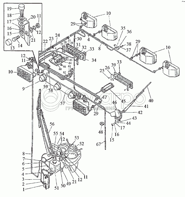
80-3801327
Заглушка
В узле: 2
80-3801327 Заглушка МТЗ Под заказ 2.12 р.
57
80-3738001
Кронштейн
В узле: 1
80-3738001 Кронштейн МТЗ знака автопоезда под фонарь ФА-1 Под заказ 18.25 р.
61
80-3805065
Винт
В узле: 1
80-3805065 Винт МТЗ, Беларусь Под заказ 0.62 р.
ВМ6Х12
Винт
В узле: 4
М4
Гайка
В узле: 2
ШП4
Шайба
В узле: 2
1
923-3712016
Прокладка
В узле: 1
2
923-3712017
Кронштейн
В узле: 1
52
923-3724130-В
Жгут
В узле: 1
4
80-3723045
Манжета
В узле: 8
5
923-5208002
Трубка
В узле: 1
6
5208.15
Распределитель
В узле: 1
7
122.5208000
Омыватель
В узле: 1
8
923-5208002-01
Трубка
В узле: 1
9
3738.10
Фонарь автопоезда
В узле: 3
10
8724.304/31
Фара рабочая
В узле: 6
11
М6
Гайка
В узле: 9
12
ШП6
Шайба
В узле: 17
13
АЗО.04.017
Колпачок
В узле: 2
14
М6Х16
Болт
В узле: 2
15
М8
Гайка
В узле: 6
16
ШП8
Шайба
В узле: 6
17
ШЧ6
Шайба
В узле: 6
18
М8х20
Болт
В узле: 2
19
АЗО.04.017-01
Колпачок
В узле: 2
20
90-8402071-01
Кронштейн
В узле: 2
21
ШЧ8
Шайба
В узле: 6
22
923-3724233-А
Жгут
В узле: 1
23
923-3724353-Б
Жгут
В узле: 1
24
923-3724350-Б
Жгут
В узле: 1
38
4x10
Винт
В узле: 2
26
923-3801344
Пластина
В узле: 4
27
3710.40
Выключатель знака автопоезда
В узле: 1
28
3709.35
Переключатель стеклоочиститех лоомывателя
В узле: 1
29
923-3723024
Втулка
В узле: 14
30
923-3724014-Б
Жгут
В узле: 1
31
3710.30
Выключатель фар рабочих
В узле: 3
32
3709.15
Переключатель вентилятора
В узле: 1
34
923-3801342
Щиток
В узле: 1
35
5208.10
Жиклер
В узле: 1
36
70-5208011-А
Пластина
В узле: 1
37
ШЧ5
Шайба
В узле: 2
39
923-7901018
Щиток
В узле: ---
40
20.5212400
Щетка стеклоочистителя
В узле: ---
41
20.5215300
Рычаг стеклоочистителя
В узле: ---
42
822-5205043
Втулка
В узле: ---
43
80-3723045-01
Манжета
В узле: ---
44
923-5205022
Кронштейн
В узле: ---
45
3714.25
Плафон освещения кабины 185x46,5
В узле: ---
46
Т240-5205010
Привод с кожухом
В узле: ---
47
923-3723042
Втулка
В узле: ---
48
80-3723048
Втулка
В узле: ---
49
BM4x10
Винт
В узле: 2
50
122.5208304
Кронштейн
В узле: 1
51
М6Х12
Болт
В узле: 3
53
923-5208005
Кронштейн
В узле: 1
54
5205.15
Стеклоочиститель пантографный
В узле: 1
55
70-1602037
Втулка
В узле: 1
56
5205.45
Щетка с рычагом 660/600 с форсункой
В узле: 1
58
М5
Гайка
В узле: 6
59
ШП5
Шайба
В узле: 6
60
822-3801341
Щиток
В узле: 1
62
70-3723042-01
Втулка
В узле: 1
63
3747.50
Реле на замыкание
В узле: 2
64
006-010-25-1-4
Кольцо
В узле: 1
65
923-3801343-Б
Табличка
В узле: 1
66
3722.25
Блок предохранителей
В узле: 1
67
923-3724351
Жгут
В узле: 1
Содержащиеся в справочниках-каталогах запасные части и детали не предлагаются к продаже, а носят исключительно информационный характер

Ваша заявка была отправлена. В ближайшее время наши специалисты с Вами свяжутся по указанному Вами телефону.

Представьтесь
Поле обязательно для заполнения
Ваш телефон
Введите правильный номер телефона
E-mail
Введите правильный e-mail
Тема
Тема
применяемость финансирование доставка цена, наличие другое сервис и гарантия
Время для звонка
08:00
08:00 09:00 10:00 11:00 12:00 13:00 14:00 15:00 16:00 17:00 18:00 19:00
19:00
08:00 09:00 10:00 11:00 12:00 13:00 14:00 15:00 16:00 17:00 18:00 19:00

Мы постараемся перезвонить в указанное время

Если вы не хотите ждать, то звоните нашим вежливым консультантам:

8 800 100-2-700
Название
Представьтесь
Поле обязательно для заполнения
Ваш город
Ваш город
Ваш телефон
Введите правильный номер телефона
E-mail
Введите правильный e-mail
Сообщение
Вы можете приложить любые документы (например, список требуемых позиций)
Подтвердите, что вы не робот
Подтвердите, что вы не робот
Подтвердите, что вы не робот
Подтвердите, что вы не робот
Спасибо!

Ваше сообщение успешно отправлено!

ЗакрытьПовторить попытку