Каталог запасных частей к технике: МТЗ-822. Управление подачей топлива

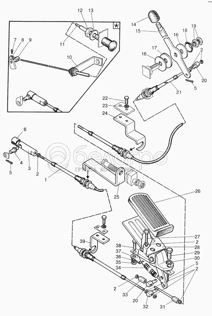
8
70-1310441
Фиксатор
В узле: 1
|
|||||||||||||||||||||||||||||||||||||||||||||||||||||||||||||||||||||||||||||||||||||||
70-1310441 Фиксатор МТЗ, САЗ |
![]() |
<10 шт. | 2.02 р. | ||||||||||||||||||||||||||||||||||||||||||||||||||||||||||||||||||||||||||||||||||||
18
80В-1108347
Пружина тарельчатая
В узле: 1
|
|||||||||||||||||||||||||||||||||||||||||||||||||||||||||||||||||||||||||||||||||||||||
80В-1108347 Пружина тарельчатая системы питания МТЗ |
![]() |
Под заказ | 1.13 р. | ||||||||||||||||||||||||||||||||||||||||||||||||||||||||||||||||||||||||||||||||||||
26
А13.36.001
Чехол
В узле: 1
|
|||||||||||||||||||||||||||||||||||||||||||||||||||||||||||||||||||||||||||||||||||||||
А13.36.001 Накладка МТЗ на педаль газа, Беларусь |
![]() |
>10 шт. | 6.11 р. | ||||||||||||||||||||||||||||||||||||||||||||||||||||||||||||||||||||||||||||||||||||
34
70-4803019
Пружина
В узле: 1
|
|||||||||||||||||||||||||||||||||||||||||||||||||||||||||||||||||||||||||||||||||||||||
70-4803019 Пружина МТЗ, Беларусь |
![]() |
Под заказ | 1.60 р. | ||||||||||||||||||||||||||||||||||||||||||||||||||||||||||||||||||||||||||||||||||||